Základní specifikace:
- Využitelný tiskový prostor 210x210x210 (XYZ)
- Hotend RebelMOD V4 či E3D kompatibilní
- Rám z profilů Al kombi stojka 30x30mm, rozměry ..........
- Vodící tyče 8mm, ideálně indukčně kalené broušené, rozměry ..........
- Posuv Z - 2x trapéz 6x4 mm
- Ložiseka LM8UU a 623 ZZ na přítlak filamentu, popřípadě do tištěných řemenic
- Řemenice GT2 16z
- Volné řemenice ze 4ks ložisek F623ZZ
- Kroková motory 5ks NEMA17 5-17HS15-1504S-X1 či parametrově kompatibilní
- Nějaký ten spojovací materiál
- FYSETC F6
- FW MARLIN s funkcí autolevelingu, kontaktní detekce filamentu a "Z Steppers Auto-Alignment" (místo Z endstopu použit indukční senzor)
Základní rozdíly proti předchozím verzím:
- nepatrně větší tiskový prostor za použití minimálních nákladů
- rozteč X tyčí 45mm (původně 50mm)
- holder hodendu kompatibilní s E3D
- Z endstop/y nafrazeny indukční sondou v součinnosti s funkcemi FW
- drobné optimalizace většiny ostatních tištěných dílů
- malinko více zdokumentováné zapojení elektroniky spolu s příslušným FW
- implementace náhrady krokových motorů Microcon
- toť asi to nejpodstatnější ................
3D PDF:
Rozměry konstrukčních dílů:
X profily 3x 340mm
Y profily 2x 320mm
Z profily 2x 340mm
X vodící tyče 2x 310mm
Y vodící tyče 2x 365mm
Z vodící tyče 2x 330mm
STL: KOMPLETUJI https://drive.google.com/drive/folders/ ... sp=sharing
CubifyDesign SRC:
Firmware: TESTUJI
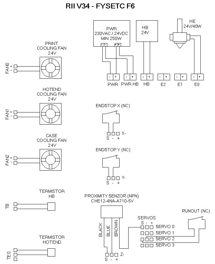
Zapojení:
Rozmístění Y a Z:
Start g-code Slic3r:
- Kód: Vybrat vše
M107
M140 S[first_layer_bed_temperature] ; set bed temp
M190 S[first_layer_bed_temperature] ; wait for bed temp
M104 S180 ; set HE leveling temp
M109 S180 ; wait for HE leveling temp
G34 ; Z Steppers Auto-Alignment
G29 ; Autoleveling
G1 Z0
M109 S[first_layer_temperature] ; wait for extruder temp
M900 K0

