Po létech jsem vyhrabal gramofon - Lenco L75/200, který před třemi roky fungoval, ale když jsem ho chtěl pustit, narazil jsem na následující problém - rozpadlý subtalíř - je to zinkal, tam je to normální, měl by jít dopasovat z jiné Tesly nebo Pro-Jectu.
Hlavní problém je, že se motorek ani nehne. Pohon je řešen motorem SMR 300-100-ri/24
http://www.regulace.cz/CZ/KM/km_300-100ri.html

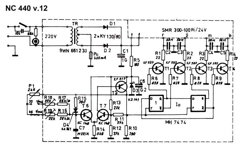
Řízení motoru je řešeno asi tímto:
Nejsem si úplně jist přesností schématu, tohle šasi se dělalo pouze pro Německo na vývoz, Tesla značení HC-48, a žádný jiný Tesla gramofon tuhle elektroniku nemá. Tohle schéma je z gramofonu NC 440, resp. jeho úpravy na motor SMR 300-100-ri/24.
Otázka zní - co je blbě - motor nebo elektronika. (pojistka je v pořádku
Můžu nějak odzkoušet funkčnost toho motoru s tím co mám k dispozici a jak to zapojit?
Mám na mysli - arduino, ramps, drivery. Mám i drivery pro CNC.
Oni k tomu mají nějaké vlastní řízení:
http://www.regulace.cz/CZ/KM/km_ri.html
Na forech se lidi občas potýkají "se vzpříčenou vazelínou", ale mě se ten motor nerozběhne ani když se mu snažím pomoct, takže zatuhlej asi nebude.
Co se elektroniky týká tak tu snad dokážu zrepasovat s použitím moderních součástech, pokud bude motor v cajku, nebo ji snad seženu z tý NC 440.
Díky za nápady.

